技术资料 Technology
价值工程的目的是以最低的寿命周期费用,可靠地实现产品必要的功能。功能分析是价值工程的核心。
在防雷产品的研发中,利用价值分析的方法,通过对组合型电涌保护器关键元器件的功能分析和功能评价,重新认识各元器件的主要功能,了解各元器件之间的实际配合情况,从而优化设计,降低成本,提高产品的价值。在整个功能分析的过程中,还会有突破传统思维的新发现。
在配电系统的雷电防护中,根据规范[1]的要求应在不同的雷电防护区域分别采用不同类型的电涌保护器(surge protection device, SPD)进行保护,从而达到雷电流逐级泄放、逐级降低残压的目的。
但是所安装的多级SPD需要在一定距离下才能实现能量协调,进而达到有效保护设备的目的,而空间狭小或者安装受限的场所无法满足要求。常规SPD采用单一的防雷元器件,若独立使用,则无法满足大通流、低残压的要求。
目前有两种方案可以解决距离的问题:①在两级SPD之间加装退耦装置;②开发两级或者两级以上的组合型SPD,同时满足大通流和低残压的要求。
本文通过进行功能分析,对某组合型的SPD设计方案提出优化,同时降低成本,以期为客户提供价值更高的产品。
1 价值分析
价值是指功能的性能和获得其成本之间关系的定性或定量表示,用公式表示V=F/C。功能分析是价值分析和价值工程的核心,它是由美国通用电气公司(GE)采购工程师麦尔斯首先提出的,从功能方面研究提高价值和节约资源的关系。所有提供给客户的产品或服务的本质是功能,而不是产品有形的物质结构。因此,通过分析和评价产品的功能,利用最低的寿命周期成本向客户提供产品所具备的功能,从而提高产品价值。
SPD是一种过电压保护器件,被安装在配电系统中,主要用于限制瞬态过电压和泄放电涌电流,从而达到保护设备的目的。下面以压敏电阻(metal oxide varistors, MOV)和瞬变电压抑制二极管(transient voltage suppressors, TVS)为核心元器件的组合型SPD为例来分析各元器件的功能和关系。通过测试分析得出,该种组合型SPD价值较低,需要进行优化。
2 组合型SPD的价值分析
2.1 组合型SPD的设计目的和方案
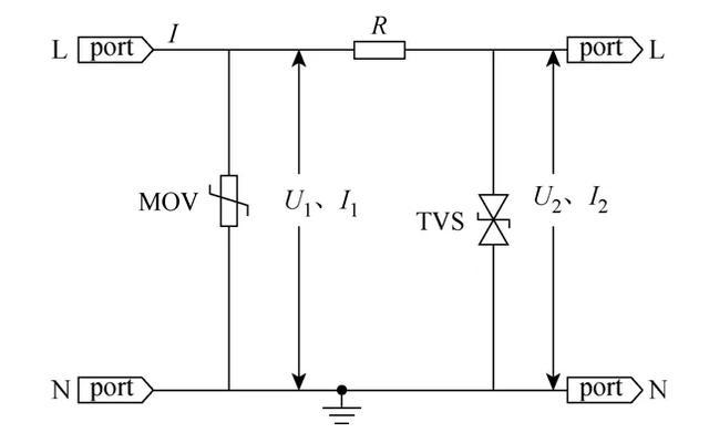
组合型SPD的设计目的是设计一种Class B+C组合型SPD,设计标称放电电流为20kA(8/20s),最大通流量为100kA(8/20s),组合波测试残压为6kV@3kA。为了满足参数的要求,第一级保护采用4片标称通流量为20kA、最大通流量为50kA的MOV并联,目的是获得较大的通流量;第二级采用通流量为10kA的大功率TVS,利用TVS箝位准、低残压的特性,达到使整个SPD低残压的目的。MOV和TVS之间的串联电阻作为退耦元件,满足两器件之间能量协调的要求。
2.2 组合型SPD价值分析对象的选择
组合型SPD价值分析对象的选择方法有因素分析法、帕累托(activity based classfication, ABC)法、强制决定法和最合适区域法。下面从成本和功能两个角度出发,利用帕累托法和最合适区域法两种方法来确定价值分析的对象。
从产品的物料清单(bill of material, BOM)可以看出,组成该产品的物料种类有56种,但是TVS模块盒和MOV模块盒的成本占了总成本的89.2%,其他辅助材料和功能仅占总成本的10.8%。因此,将该产品的物料归为三大类,即TVS模块盒、MOV模块盒和其他,如图1所示。
根据帕累托原理,因为两种模块盒所占的成本超过了80%,而且TVS模块盒的成本超过了总成本的70%,所以将TVS作为价值分析的重点分析对象。

上述仅从成本的角度选择价值分析的对象,而没有从功能的角度去评价。SPD的主要功能是泄放雷电流,并且获得较低的残压,因此MOV和TVS作为泄放电流的主要元器件,发挥着主要的功能。
另外,为了保证MOV与TVS能量协调,两器件之间串联的电阻也起着重要的能量作用,没有它,MOV和TVS两器件无法满足能量协调的要求,即无法正常工作。
虽然该元件的成本较低,但是也应该将其与MOV和TVS一并视为价值分析的对象。其他如远程告警、脱扣等功能均为辅助功能,所占成本的比例较低,不作为价值分析的对象。
2.3 组合型SPD的功能分析
根据SPD的设计目的,画出SPD的功能分析图,如图2所示。由此可见,主要功能由MOV、TVS、退耦电阻R三种元器件共同完成。由于TVS占总成本的72%,且TVS的价格随着功率或通流的增大而增加,该设计方案中采用的是10kA、40kW的大功率TVS,因此将通过测试验证3种元器件配合的合理性(是否满足设计要求)、流过MOV和TVS电流的分配关系和决定因素,从而降低TVS的功率,达到降低成本的目的,这也是价值工程和价值分析重点要改进的地方。

3 组合型SPD的优化设计测试
3.1 TVS分配电流与退耦电阻阻抗和静态电压的关系验证
组合型SPD的电路原理如图3所示。退耦电阻R采用高精度的采样电阻,在工频电流下呈现出非线性特性,但是在冲击电流下表现为线性电阻。用3次不同大小的电流对其冲击,根据示波器采集到的电压,通过欧姆定律计算得出该电阻的阻值为47.7mΩ,考虑到测量误差,认为与该电阻的标称值50mΩ一致,如图4所示。
因此,可以通过测量MOV和TVS两端的电压U1和U2,算出电阻R的电压,通过欧姆定律I=U/R算出流过TVS的电流I2,从而求出在不同冲击电流下流过TVS的最大电流。


对组合电路分别冲击3kA、5kA、10kA、15kA、20kA这5组电流,用示波器分别采集退耦电阻为50mΩ和100mΩ时流过TVS的电流。结果发现,当增加退耦电阻的阻抗时,TVS分配到的电流减小。按照设计方案,当退耦电阻为50mΩ时,冲击20kA电流,TVS分配的电流最大为3.92kA;而当退耦电阻为100mΩ时,冲击20kA电流,TVS分配的电流最大只有2.76kA。
将TVS的静态电压由设计方案的270V降到240V,冲击同样5组电流,结果发现,在退耦电阻不变的情况下,静态电压越高,TVS分配到的电流越少。如图5所示,在5组冲击电流下,当退耦电阻为100mΩ时,静态电压为270V的TVS分配的电流均小于静态电压为240V TVS分配的电流。
3.2 有无退耦时MOV与TVS响应与配合验证
在MOV与TVS之间没有退耦电阻的情况下,当冲击电流为20kA时,TVS静态出现异常,说明有过载的可能性。通过测试波形图可以发现,如果没有退耦电阻,TVS就会首先响应,SPD的残压表现为TVS的最高点的转折电压,如图6所示。
当有退耦电阻时,前面的测试已经证明MOV与TVS可以满足能量协调要求,通过TVS的电流小于5kA,且MOV会首先响应,SPD的残压表现为MOV的最大残压,3kA下的残压小于600V,如图7所示。


以上测试证明,MOV与TVS并联使用时必须加退耦电阻,否则TVS可能会过载,期望通过TVS实现低残压的目的是无法达到的。测试证明,TVS对于SPD的残压没有任何贡献,残压主要表现为MOV的残压。因此,该设计方案中的TVS属于低价值的功能,可将该TVS省去。如果必须保留TVS,那么可以用通流为6kA的TVS来替代10kA的TVS,这样可使TVS模块盒的成本下降79.5%,整个SPD的成本下降57.29%,价值工程之后产品成本的比例分析如图8所示。

结论
本文通过采用价值工程的方法对某组合型SPD进行原理和功能分析及其测试验证,得出以下结论:
1)无法通过TVS获取较低的残压。2)在价值分析中,TVS属于价值低的功能,甚至可以去掉。即便不去掉,将10kA的通流量降低到6kA也能满足设计要求,且在最大通流时不会过载,从而提高产品的价值,降低成本。3)在MOV与TVS并联使用时,两者之间必须加退耦装置才能满足能量协调的要求。对于在实际产品中的应用,由于残压是由MOV决定的,因此MOV与TVS的组合没有实际意义。
2026-02-24
37
2026-02-23
32
《危险化学品企业雷电安全规范》GB15599-2025关于金属储罐安全又增加5项新要求
2026-02-12
169
2026-02-11
118
2026-02-10
220
2026-02-06
251
成功案例:CMCE Twin Max 系统在西班牙加利西亚地区 Vestas V126 风力发电机中的应用
2026-02-03
193
2025-11-20
801
风力发电机叶片摩擦空气产生的电荷对雷击的影响及CMCE避雷解决方案
2025-09-18
796
2025-09-17
585
办公地址:深圳市龙岗区南新路15号1983创意小镇C5栋3F10
电话:0755-3285 8828
邮箱 : info@futurewa.com
创新 .服务.共赢
Innovation Service Win-Win
Copyright © 2014—2026
www.futurewa.com,All rights reserved
版权所有 © 远华电气技术(深圳)有限公司
未经许可 严禁复制