技术资料 Technology
电路一:最简单的电路
说明:
1、优点:电路简单,采用复合对称电路,共模、差模全保护, L、N 可以随便接。
缺点:压敏电阻RV1 短路失效后易引起火灾。最好在每个压敏电阻上串联一个工频保险丝以防压敏电阻短路起火。如果L、N 线不可能接反,则可省去压敏电阻RV2、RV3,将放电管G 的上端直接接到N 线上,构成“1+1”电路。
2、压敏电阻的压敏电压值参照下表选取(选压敏电压高一点的更安全、耐用,故障率低,但残压略高);根据通流容量要求选择外形尺寸和封装形式,或采用几个压敏电阻并联(应挑选压敏电压相近的并联,以延长使用寿命和确保安全)。
3、陶瓷气体放电管的通流容量根据要求的通流容量选择,直流击穿电压为470V~600V。当要求的通流容量≤3KA 时,可以用玻璃放电管代替。
4、压敏电阻和气体放电管都必须按冲击10 次以上的降额值计算通流容量(压敏电阻为一次冲击通流容量的三分之一左右,气体放电管为最大通流容量的一半左右)。
电路二:较安全的电路
说明:
1、优点:采用复合对称电路,共模、差模全保护, L、N 可以随便接,正常工作时无漏电流,可延长器件使用寿命,由于陶瓷气体放电管失效模式大多为开路,不易引起火灾。缺点:万一压敏电阻和陶瓷气体放电管都短路失效时还有可能起火。
2、压敏电阻的压敏电压值参照下表选取(选压敏电压高一点的更安全、耐用,故障率低,但残压略高);根据通流容量要求选择外形尺寸和封装形式,或采用几个压敏电阻并联(应挑选压敏电压相近的并联,以延长使用寿命和确保安全)。
3、陶瓷气体放电管的通流容量根据要求的通流容量选择,直流击穿电压为470V~600V。当要求的通流容量≤3KA 时,可以用玻璃放电管代替。
4、压敏电阻和气体放电管都必须按冲击10 次以上的降额值计算通流容量(压敏电阻为一次冲击通流容量的三分之一左右,气体放电管为最大通流容量的一半左右)。
电路三:通用的安全保护电路
说明:
1、优点:采用复合对称电路,共模、差模全保护,L、N 可以随便接,安全,压敏电阻短路失效后能与电路脱离,一般不会引起火灾。
2、压敏电阻的压敏电压值参照下表选取(选压敏电压高一点的更安全、耐用,故障率低,但残压略高);根据通流容量要求选择外形尺寸和封装形式,或采用几个压敏电阻并联(应挑选压敏电压相近的并联,每个压敏电阻都要单独串联温度保险管,以延长使用寿命和确保安全)。
3、温度保险管一般采用130℃~135℃、10A/250V 的,应与压敏电阻有良好的热耦合。最好再串联一个工频保险丝以防工频过电压瞬间击穿压敏电阻起火。
4、陶瓷气体放电管的通流容量根据要求的通流容量选择,直流击穿电压为470V~600V。当要求的通流容量≤3KA 时,可以用玻璃放电管代替。
5、压敏电阻和气体放电管都必须按冲击10 次以上的降额值计算通流容量(压敏电阻为一次冲击通流容量的三分之一左右,气体放电管为最大通流容量的一半左右)。
二三相并联式防雷器
电路一:最简单的电路
说明:
1、优点:采用“3+1”电路,电路简单,三相全保护。缺点:压敏电阻短路失效后易引起火灾。最好在每个压敏电阻上串联一个工频保险丝以防压敏电阻短路起火。
2、压敏电阻的压敏电压值参照下表选取(选压敏电压高一点的更安全、耐用,故障率低,但残压略高);根据通流容量要求选择外形尺寸和封装形式,或采用几个压敏电阻并联(如图所示为每相两个压敏电阻并联,应挑选压敏电压值相近的并联,以延长使用寿命和确保安全)。
3、陶瓷气体放电管的通流容量根据要求的通流容量选择,直流击穿电压为470V~600V。当要求的通流容量≤3KA 时,可以用玻璃放电管代替。
4、压敏电阻和气体放电管都必须按冲击10 次以上的降额值计算通流容量(压敏电阻为一次冲击通流容量的三分之一左右,气体放电管为最大通流容量的一半左右)。
电路二:较安全的电路
说明:
1、优点:采用“3+1”电路,三相全保护,正常工作时无漏电流,可延长器件使用寿命,由于陶瓷气体放电管失效模式大多为开路,不易引起火灾。缺点:万一压敏电阻和陶瓷气体放电管都短路失效时还有可能引起火灾。
2、压敏电阻的压敏电压值参照下表选取(选压敏电压高一点的更安全、耐用,故障率低,但残压略高);根据通流容量要求选择外形尺寸和封装形式,或采用几个压敏电阻并联(如图所示为每相两个压敏电阻并联,应挑选压敏电压值相近的并联,以延长使用寿命和确保安全)。
3、陶瓷气体放电管的通流容量根据要求的通流容量选择,直流击穿电压为470V~600V。当要求的通流容量≤3KA 时,可以用玻璃放电管代替。
4、压敏电阻和气体放电管都必须按冲击10 次以上的降额值计算通流容量(压敏电阻为一次冲击通流容量的三分之一左右,气体放电管为最大通流容量的一半左右)。
电路三:通用的安全保护电路
说明:
1、优点:采用“3+1”电路,三相全保护,安全,压敏电阻短路失效后能与电路脱离,一般不会引起火灾。
2、压敏电阻的压敏电压值参照下表选取(选压敏电压高一点的更安全、耐用,故障率低,但残压略高);根据通流容量要求选择外形尺寸和封装形式,或采用几个压敏电阻并联(如图所示为每相两个压敏电阻并联,应挑选压敏电压值相近的并联,每个压敏电阻都要单独串联温度保险管,以延长使用寿命和确保安全)。
3、温度保险管一般采用130℃~135℃、10A/250V 的,应与压敏电阻有良好的热耦合。最好再串联一个工频保险丝以防工频过电压瞬间穿压敏电阻起火。
4、陶瓷气体放电管的通流容量根据要求的通流容量选择,直流击穿电压为470V~600V。当要求的通流容量≤3KA 时,可以用玻璃放电管代替。
5、压敏电阻和气体放电管都必须按冲击10 次以上的降额值计算通流容量(压敏电阻为一次冲击通流容量的三分之一左右,气体放电管为最大通流容量的一半左右)。
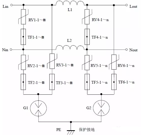
三单相串联式防雷器
单相通用安全保护电路:
说明:
1、优点:采用两级复合对称电路,共模、差模全保护,残压低,L、N 可以随便接,安全,压敏电阻短路失效后能与电路脱离,一般不会引起火灾。
2、压敏电阻的压敏电压值参照下表选取(选压敏电压高一点的更安全、耐用,故障率低,但残压略高);根据通流容量要求选择外形尺寸和封装形式,或采用几个压敏电阻并联(如图所示第一级为m 个压敏电阻并联,第二级为n 个并联,应挑选压敏电压相近的并联,每个压敏电阻都要单独串联温度保险管,以延长使用寿命和确保安全)。
3、温度保险管一般采用130℃~135℃、10A/250V 的,应与压敏电阻有良好的热耦合。最好再串联一个工频保险丝以防工频过电压瞬间击穿压敏电阻起火。
4、陶瓷气体放电管的通流容量根据要求的通流容量选择,直流击穿电压为470V~600V。当要求的通流容量≤3KA 时,可以用玻璃放电管代替。
5、压敏电阻和放电管都必须按冲击10 次以上的降额值计算通流容量(压敏电阻为一次冲击通流容量的三分之一左右,放电管为最大通流容量的一半左右)。
6、串联电感为空心电感,电感量应≥20μH,导线直径应按负载电流计算。
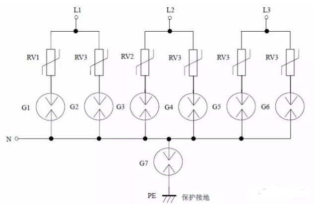
四三相串联式防雷器
三相通用安全保护电路:
说明:
1、优点:采用两级“3+1”电路,三相全保护,残压低,安全,压敏电阻短路失效后能与电路脱离,一般不会引起火灾。
2、压敏电阻的压敏电压值参照下表选取(选压敏电压高一点的更安全、耐用,故障率低,但残压略高);根据通流容量要求选择外形尺寸和封装形式,或采用几个压敏电阻并联(如图所示第一级为m 个压敏电阻并联,第二级为n 个并联,应挑选压敏电压相近的并联,每个压敏电阻都要单独串联温度保险管,以延长使用寿命和确保安全)。
3、温度保险管一般采用130℃~135℃、10A/250V 的,应与压敏电阻有良好的热耦合。最好再串联一个工频保险丝以防工频过电压瞬间击穿压敏电阻起火。
4、陶瓷气体放电管的通流容量根据要求的通流容量选择,直流击穿电压为470V~600V。当要求的通流容量≤3KA 时,可以用玻璃放电管代替。
5、压敏电阻和放电管都必须按冲击10 次以上的降额值计算通流容量(压敏电阻为一次冲击通流容量的三分之一左右,放电管为最大通流容量的一半左右)。
6、串联电感为空心电感,电感量应≥20μH,导线直径应按负载电流计算。
2026-02-24
37
2026-02-23
32
《危险化学品企业雷电安全规范》GB15599-2025关于金属储罐安全又增加5项新要求
2026-02-12
169
2026-02-11
118
2026-02-10
220
2026-02-06
251
成功案例:CMCE Twin Max 系统在西班牙加利西亚地区 Vestas V126 风力发电机中的应用
2026-02-03
193
2025-11-20
801
风力发电机叶片摩擦空气产生的电荷对雷击的影响及CMCE避雷解决方案
2025-09-18
796
2025-09-17
585
办公地址:深圳市龙岗区南新路15号1983创意小镇C5栋3F10
电话:0755-3285 8828
邮箱 : info@futurewa.com
创新 .服务.共赢
Innovation Service Win-Win
Copyright © 2014—2026
www.futurewa.com,All rights reserved
版权所有 © 远华电气技术(深圳)有限公司
未经许可 严禁复制