3+1 (3P+N):提供更全面的“全模保护”,安全性更高,尤其适合TT系统和对安全性要求高的TN-S系统。其N-PE间的放电管设计是关键优势。4+0 (4P):结构简单,成本可能较低,但仅提供共模保护,仅推荐用于TN-S系统,且对接地质量要求极高。在TT系统中使用存在严重安全隐患。
在防雷领域,“3+1”和“4+0”是两种常见的电涌保护器(SPD)接线方式,主要区别在于内部结构、保护模式和适用的供电系统。
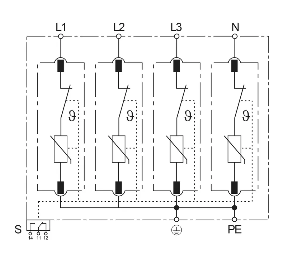
1.结构组成
3+1 接线方式 (3P+N, CT2):由3个压敏电阻(安装在相线L与中性线N之间)和1个放电管(安装在中性线N与保护地线PE之间)组成。
备注:上述描述适用于第二级或者以上级别保护的SPD,对于第一级或者通过I类分类试验的SPD,3+1的构成往往体现在前3片与第4片SPD结构或者类型不同,并不仅限于压敏电阻和放电管。从参数Uc和In,Iimp更容易区别,通常前3片与第4片的Uc 不同。

4+0 接线方式 (4P, CT1):由4个压敏电阻组成,分别安装在每根相线L与保护地线PE之间,以及中性线N与保护地线PE之间。
备注:上述描述适用于第二级或者以上级别保护的SPD,对于第一级或者通过I类分类试验的SPD,4+0的构成往往体现4片SPD类型相同,并不仅限于压敏电阻,从参数Uc更容易区别,通常4片SPD的Uc相同则为4+0结构。

2.保护模式
3+1 接线方式 (3P+N, CT2):全模保护:L-N 之间的3个压敏电阻提供差模保护(抑制相线与中性线间的过电压)。N-PE 之间的放电管提供共模保护(抑制中性线对地的过电压)。这种组合能同时防护差模和共模浪涌。
4+0 接线方式 (4P, CT1):共模保护:4个压敏电阻均提供共模保护,即L-PE和N-PE之间的保护。没有专门的差模保护(L-N之间无保护元件)。
3.N-PE间元件
3+1 接线方式 (3P+N, CT2):使用放电管(气体放电管),属于开关型器件。其特点是响应时间稍长,但残压低,且在正常工作时处于高阻断状态,无漏电电流,安全性高。
4+0 接线方式 (4P, CT1):使用压敏电阻,属于限压型器件。响应速度快,但在持续过电压下可能劣化,有漏电流。
4.主要适用系统
3+1 接线方式 (3P+N, CT2):TN-S系统、TT系统(尤其推荐用于TT系统,且必须安装在剩余电流动作保护器RCD的电源侧)。
4+0 接线方式 (4P, CT1):TN-S系统(最常用)。不适用于TT系统,因为TT系统接地故障电流较小,无法触发前端保护装置,引发火灾风险。
5.安全性
3+1 接线方式 (3P+N, CT2):更安全。当L-N间的压敏电阻劣化失效时,由于N-PE间是放电管(隔离状态),不会导致设备外壳对地电压异常升高,降低电击风险。