远华电气技术(深圳)有限公司
雷电电磁脉冲LEMP 屏蔽效能测试套装正式上市
专利号:ZL 202221841337.1
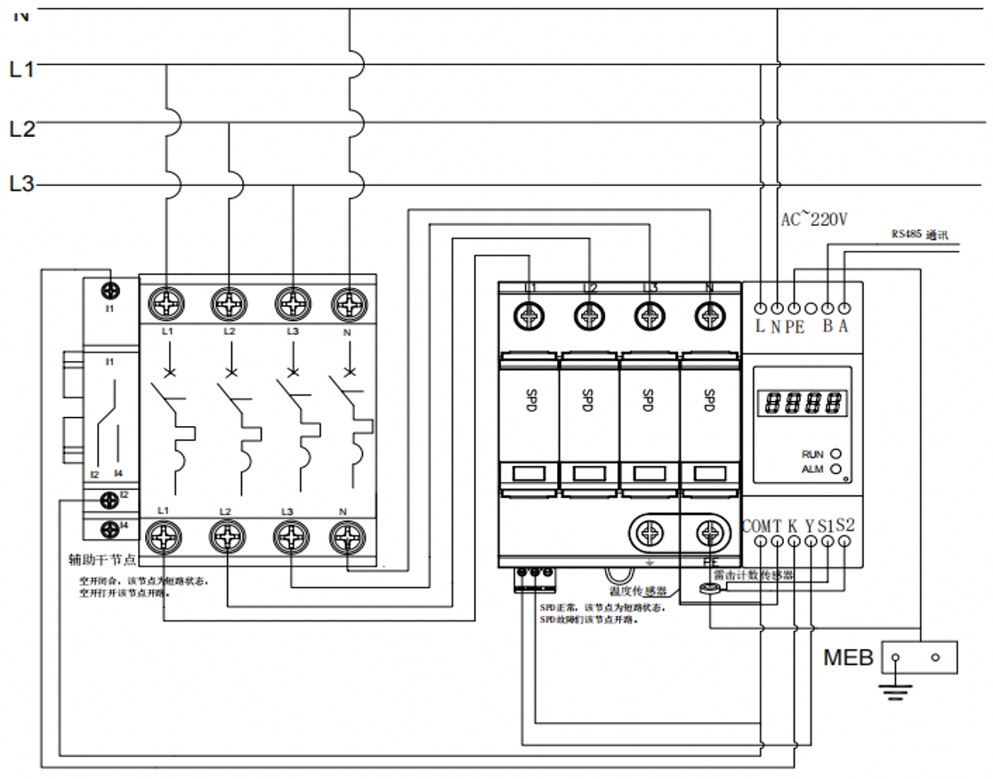
智能防雷监测器是集数据采集、信号传输及数据储存的高性能MCU集成智能防雷监测产品。本产品为标准 35 mm导轨安装方式, 默认RS485通讯、可支持有线或无线。
一、产品简介
1、防雷雷击计数门限可调。
2、雷击计数:数码管显示及上位机软件显示。
3、防雷器劣化异常告警。
4、SPD接地状态异常告警。
5、空开跳闸及SCB异常告警。
6、防雷器工作温度监测。
7、支持有线或无线传输。
8、采用标准Modbus通讯协议。
9、采用高性能MCU集成,抗干扰能力强,。
10、导轨式设计,方便安装。
二、产品参数
型号
产品工作电压:(V)
AC 110V- 250 V
支持最大工作电压(V)
AC 250V(极限电压280 V)
产品功耗
0.5W
通讯方式
RS485/RJ45/LORA/GPRS/NB-LOT
SPD遥信
1路
雷击计数功能
9999
雷击时间功能
年/月/日/时/分/秒
LED显示
四位LED数码管
SPD接地状态检测
空开及SCB异常
防雷器温度/环境温度
计数门限
1KA(出厂默认)
数据通信
Modbus协议
安装方式
35 mm导轨
相对湿度
<95%
工作温度
﹣20-70℃
外壳材质
热塑性材料UL94V0
外壳颜色
白色
外壳防护等级
IP 20
产品重量
220g
外形尺寸
90*36*65 mm
三、产品接线
产品中心 PRODUCTS
防雷元件测试仪参数升级完成
2025-12-29
61
远华电气技术升级接地电阻测试仪系列产品
2025-12-27
46
风力发电机防雷新技术——CMCE 多电场补偿技术
2025-11-20
506
风力发电机叶片摩擦空气产生的电荷对雷击的影响及CMCE避雷解决方案
2025-09-18
629
风力发电机CMCE多电场补偿器防雷系统的历史背景是什么
2025-09-17
459
风力发电机CMCE多电场补偿器避雷解决方案
907
有任何问题欢迎拨打电话0755-32858828咨询~
量程
200 mT
2000 mT
测量范围
0 ~ 120%
最小分辨力
10 μT
基本精度
± 1%,全量程满足
显示位数
4 位(十进制 Decimal)
功 能
主要用于测量变压器直流电阻、互感器绕组电阻、地网连接导通性、电缆的导线电阻,开关、接插件、继电器的接触电阻、线圈、电动机、变压器绕组的电阻以及金属铆接电阻,金属构件之间联结电阻测试,低值电阻测试,接触电阻测试等。
电阻量程
10.0uΩ-50.00KΩ
分 辨 率
0.1 uΩ
精 度
0.2%FS
检测方法
四线法测试
测试电流
10A、5A、1A、0.1A、10mA、1mA
用于接收中短长波信号和雷电频谱信号,测量范围20kHz-30MHz,搭配AM/FM场强仪可以用来测量中波调频信号的信号强度(电平)和场强。主要参数:
频率范围: 20kHz – 30MHz
功耗: 12-15V 工作电压下约为 90mA
输出抗阻: 50 欧姆 BNC
最高场强: 400V/m 或 1.0A/m 脉冲
环/放大器噪声系数: 中波1.0 dB,短波0.5dB
有天线因子,可测试无线电电场强度
接地电阻测量、土壤电阻率测量,跨步电压测量,分布电势测量,接触电压测量。触摸彩屏,带打印机。
电阻量程:0.000~2000Ω
测试频率:45Hz、55Hz、自动双频可选
短路电流:1A、2A、3A、4A、5A(5档设置)
可以测量表面电阻,表面电阻率和体积电阻,重锤式全数显,温湿度显示,内置电极,外置电极两种。
广播信号场强测试仪是专为测量中波、调频广播信号而精心设计的产品,用以精确测量中波、调频广播信号强度。根据GB/T 21431 防雷检测规范的规定,可以利用中波法测试计算屏蔽效能和衰减量,是目前最有效的测试方法。
功能:压敏电阻、放电管放电电压和漏电流测量、绝缘电阻测试电压量程:0~3000V电流量程:0.1uA~199uA绝缘电阻:10~1000MΩ电压分辨率:0.1V(符合最新检测规范要求)电流分辨率:0.1uA
测试稳定时间:≤3s
放电管电压上升速率:(100±8) V/s
测量方式:直流压降法
换档:全自动换档