远华电气技术(深圳)有限公司
雷电电磁脉冲LEMP 屏蔽效能测试套装正式上市
专利号:ZL 202221841337.1
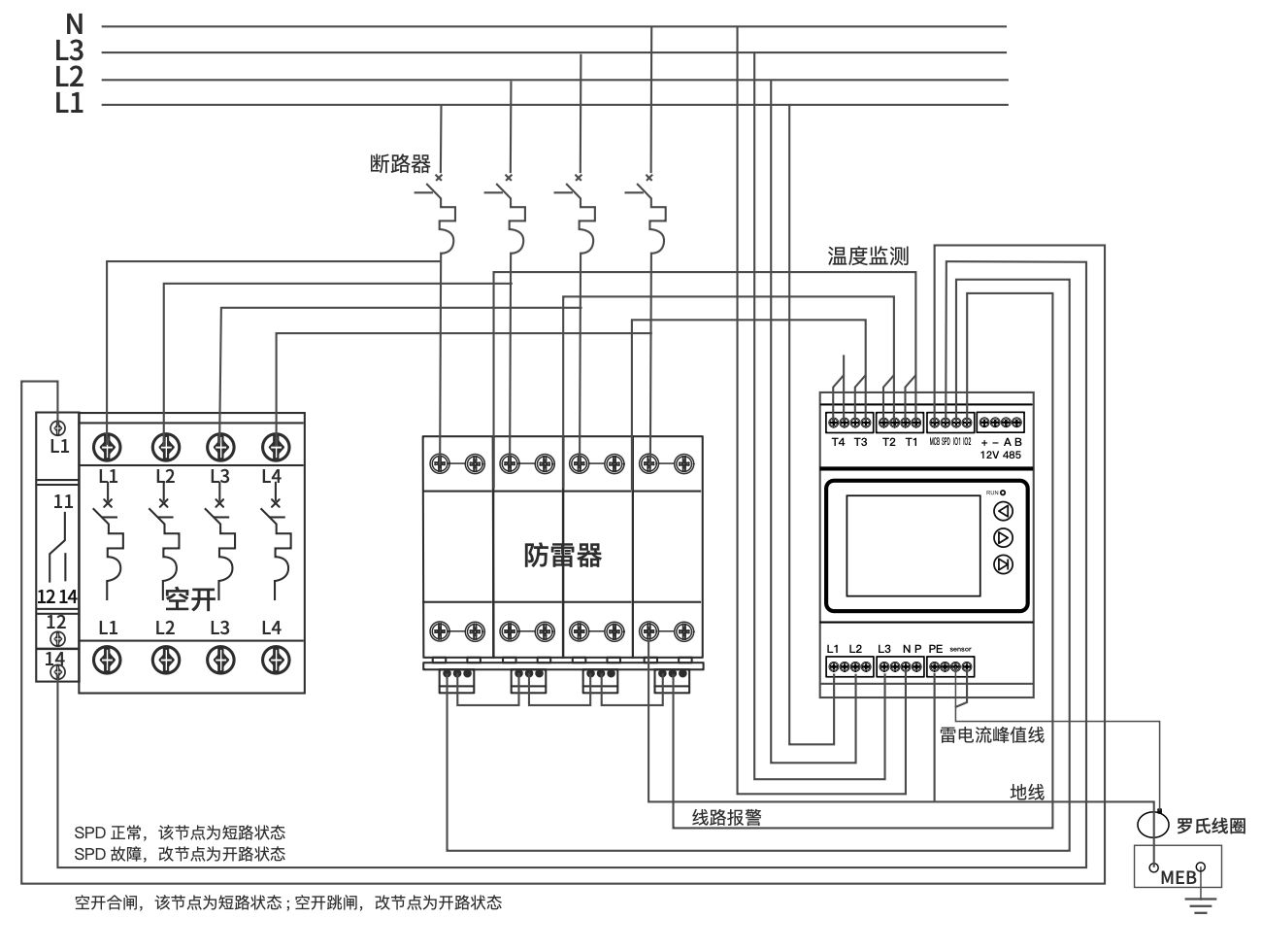
SPD综合在线监测模块FW-SPD-01是雷电防护中不可缺少的一种装置,主要采集SPD损坏状态、空开跳闸状态、SPD泄漏电流、SPD工作电压、工作环境、温度状态、SPD接地状态、开关量等。
一、产品技术参数
产品特点:
安装方式为导轨安装,灵活方便;
结构严谨,工作稳定可靠;
组网方便。
二、产品技术参数
参数类别
3路SPD漏电流监测
1.监测L1、L2、L3相SPD的漏电路
2.测量范围:0~10mA
3.测量精度:±5%
3路L1/L2/L3-N电压监测
1.监测L1、L2、L3相对N线的相电压
2.测量范围:0~500V
1路N-PE电压监测
1.测量范围:0~200V
2.测量精度:±5%
3路SPD温度监测
1.监测L1、L2、L3相SPD的外壳温度
2.测量范围:-40~80℃
1路环境温度监测
1.温度:测量范围:-40~80℃
1路SPD劣化监测
监测SPD是否脱扣
1路空开状态监测
监测SPD空开是否断开
接地状态
SPD接地是否正常
备用开关量2路
用户自定义
SPD寿命
SPD寿命估算
组网方式
网络
接口
RJ45
三 接线图
产品中心 PRODUCTS
我司高级工程师罗佳俊拿到香港工程师学会MHKIE正会员资格
2026-01-22
55
喜讯——我司中标江苏天安防雷工程有限责任公司盐城分公司防雷检测设备采购项目
2026-01-14
53
防雷元件测试仪参数升级完成
2025-12-29
90
远华电气技术升级接地电阻测试仪系列产品
2025-12-27
69
风力发电机防雷新技术——CMCE 多电场补偿技术
2025-11-20
631
风力发电机叶片摩擦空气产生的电荷对雷击的影响及CMCE避雷解决方案
2025-09-18
691
有任何问题欢迎拨打电话0755-32858828咨询~
量程
200 mT
2000 mT
测量范围
0 ~ 120%
最小分辨力
10 μT
基本精度
± 1%,全量程满足
显示位数
4 位(十进制 Decimal)
功 能
主要用于测量变压器直流电阻、互感器绕组电阻、地网连接导通性、电缆的导线电阻,开关、接插件、继电器的接触电阻、线圈、电动机、变压器绕组的电阻以及金属铆接电阻,金属构件之间联结电阻测试,低值电阻测试,接触电阻测试等。
电阻量程
10.0uΩ-50.00KΩ
分 辨 率
0.1 uΩ
精 度
0.2%FS
检测方法
四线法测试
测试电流
10A、5A、1A、0.1A、10mA、1mA
用于接收中短长波信号和雷电频谱信号,测量范围20kHz-30MHz,搭配AM/FM场强仪可以用来测量中波调频信号的信号强度(电平)和场强。主要参数:
频率范围: 20kHz – 30MHz
功耗: 12-15V 工作电压下约为 90mA
输出抗阻: 50 欧姆 BNC
最高场强: 400V/m 或 1.0A/m 脉冲
环/放大器噪声系数: 中波1.0 dB,短波0.5dB
有天线因子,可测试无线电电场强度
接地电阻测量、土壤电阻率测量,跨步电压测量,分布电势测量,接触电压测量。触摸彩屏,带打印机。
电阻量程:0.000~2000Ω
测试频率:45Hz、55Hz、自动双频可选
短路电流:1A、2A、3A、4A、5A(5档设置)
可以测量表面电阻,表面电阻率和体积电阻,重锤式全数显,温湿度显示,内置电极,外置电极两种。
广播信号场强测试仪是专为测量中波、调频广播信号而精心设计的产品,用以精确测量中波、调频广播信号强度。根据GB/T 21431 防雷检测规范的规定,可以利用中波法测试计算屏蔽效能和衰减量,是目前最有效的测试方法。
功能:压敏电阻、放电管放电电压和漏电流测量、绝缘电阻测试电压量程:0~3000V电流量程:0.1uA~199uA绝缘电阻:10~1000MΩ电压分辨率:0.1V(符合最新检测规范要求)电流分辨率:0.1uA
测试稳定时间:≤3s
放电管电压上升速率:(100±8) V/s
测量方式:直流压降法
换档:全自动换档